ACMES, expert en Shunt de Mesure

Spécialisée en conception et fabrication de Shunt de mesure depuis sa création, l’entreprise ACMES dispose aujourd’hui d’une large gamme de shunts adaptés pour une multitudes d’applications.

Un shunt est un composant passif permettant la mesure de courant continus. Etalonné de manière précise dans une classe de tolérances de 0.2% à 1%, la mesure de la chute de tension engendrée à ses bornes permet de rendre une image exacte de l’intensité qui le traverse. Le shunt de mesure peut mesurer des courants continus de l’ordre du kilo ampère.

En général, le shunt est fixé sur des jeux de barres. Nous proposons cependant, pour des shunts de faible intensité, des montages sur support isolé, sur boîtiers normalisés encastrable sur des rail DIN ou directement implantables sur circuit imprimé

Shunt de mesure

Notre gamme de Shunt de Mesure STANDARD

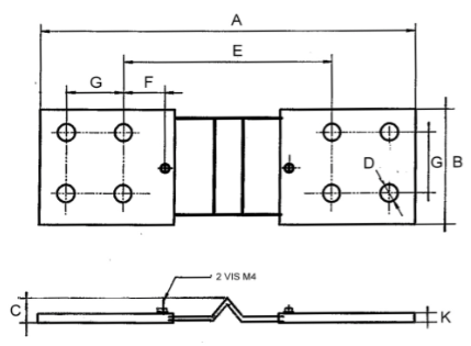
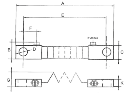
Série STANDARD SHUNTS DE MESURE 50mV Classe 0,5 et 1

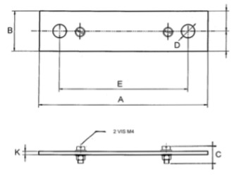
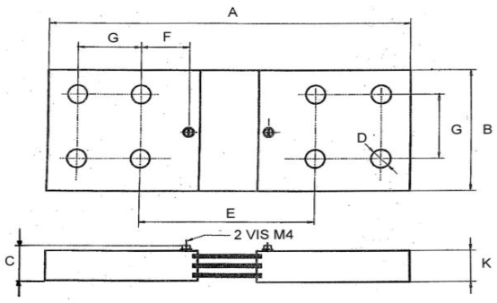
CalibresABCDEFGK
1 à < 10 A1123033M6801745
10 à < 30 A1123033M68010,545
Plan technique d'un shunt de mesure de 50 mV, classe 0,5 et 1, calibre de 1 ampères à 30 ampères
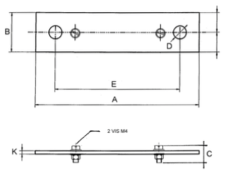
CalibresABCDEFGK
30 à 75 A10016206,580128
80 à 100 A10020248,580128
125 à 150 A100303410,580128
200 A100303410,5801210
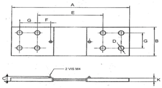
Plan technique d'un shunt de mesure de 50 mV, classe 0,5 et 1, calibre de 30 ampères à 200 ampères
CalibresABCDEFGK
250 à 500 A16550121513034,58
600 à 750 A16550191513034,515
Plan technique d'un shunt de mesure de 50 mV, classe 0,5 et 1, calibre de 250 ampères à 750 ampères
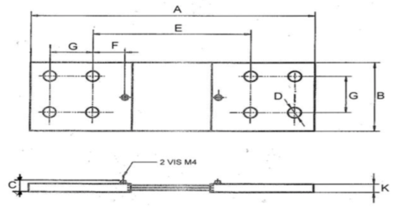
CalibresABCDEFGK
800 à 1000 A280100121513034.5508
1250 à 1500 A280100161513034.55012
2000 A280100191513034.55015
2500 A280100241513034.55020
3000 A280100291513034.55025
4000 A280100341513034.55030
5000 A280100441713034.55040
6000 A280100441713034.55040
Plan technique d'un shunt de mesure de 50 mV, classe 0,5 et 1, calibre de 800 ampères à 6000 ampères
Exemple de codificationSérieChute de tensionClasseCalibreDésignation
ST050 10 0050ST050100050Shunt Standard 50A 50mV Classe 1
ST050 05 2000ST050052000Shunt Standard 2000A 50mV Classe 0,5

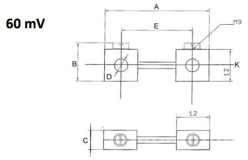
Série STANDARD SHUNTS DE MESURE 60mV Classe 0,5 et 1

CalibresABCDEFGK
1 à < 10 A1123033M6801745
10 à < 30 A1123033M68010,545
CalibresABCDEFGK
30 à 80 A10016206,580128
100 A10020248,580128
125 à 150 A100303410,580128
200 A100303410,5801210
CalibresABCDEFGK
250 à 600 A16550121513034,58
750 à 800 A16550191513034,515
CalibresABCDEFGK
1000 A280100121513034.5508
1250 à 1500 A280100161513034.55012
2000 A280100191513034.55015
2500 A280100241513034.55020
3000 A280100291513034.55025
4000 A280100341513034.55030
5000 A280100441713034.55040
6000 A280100441713034.55040
Exemple de codificationSérieChute de tensionClasseCalibreDésignation
ST060 10 0050ST060100050Shunt Standard 50A 60mV Classe 1
ST060 05 2000ST060052000Shunt Standard 2000A 60mV Classe 0,5

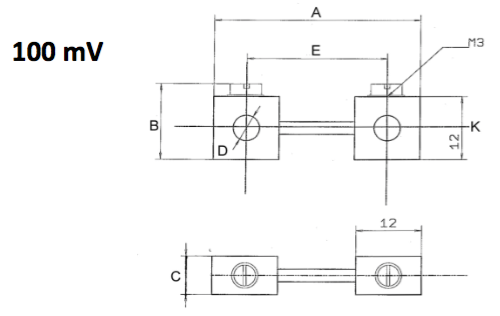
Série STANDARD SHUNTS DE MESURE 100mV Classe 0,5 et 1

CalibresABCDEFGK
< 30 A1623031M51301745
CalibresABCDEFGK
30 à 75 A15016206,5130128
80 à 100 A15020248,5130128
125 à 150 A150303410,5130128
200 A150303410,51301210
CalibresABCDEFGK
250 à 500 A21350121518034,58
600 à 750 A21350191518034,515
CalibresABCDEFGK
800 à 1000 A325100121518037508
1250 à 1500 A3251001615180375012
2000 A3251001915180375015
2500 A3251002415180375020
3000 A3251002915180375025
4000 A3251003415180375030
5000 A3251004417180375040
6000 A3251004417180375040
Exemple de codificationSérieChute de tensionClasseCalibreDésignation
ST100 10 0075ST100100075Shunt Standard 75A 100mV Classe 1
ST100 05 1500ST100051500Shunt Standard 1500A 100mV Classe 0,5

Série STANDARD SHUNTS DE MESURE 150mV Classe 0,5 et 1

CalibresABCDEFGK
< 30 A1623031M51301745
CalibresABCDEFGK
30 à 75 A19516206,5175128
80 à 100 A19520248,5175128
125 à 150 A195303410,5175128
200 A195303410,51751210
CalibresABCDEFGK
250 à 500 A25550121522034,58
600 à 750 A25550191522034,515
CalibresABCDEFGK
800 à 1000 A370100121522537508
1250 à 1500 A3701001615225375012
2000 A3701001915225375015
2500 A3701002415225375020
3000 A3701002915225375025
4000 A3701003415225375030
5000 A3701004417225375040
Exemple de codificationSérieChute de tensionClasseCalibreDésignation
ST150 10 0050ST150100050Shunt Standard 50A 150mV Classe 1
ST150 05 1200ST150051200Shunt Standard 1200A 150mV Classe 0,5

Série STANDARD SHUNTS DE MESURE 200mV Classe 0,5 et 1

CalibresABCDEFGK
1 à < 15 A2323033M62001745
15 à < 30 A2323033M620010,545
CalibresABCDEFGK
30 à 75 A24016206,5220128
80 à 100 A24020248,5220128
125 à 150 A240303410,5220128
200 A240303410,52201210
CalibresABCDEFGK
250 à 500 A30550121527034,58
600 à 750 A30550191527034,515
CalibresABCDEFGK
800 à 1000 A415100121527037508
1250 à 1500 A4151001615270375012
2000 A4151001915270375015
2500 A4151002415270375020
3000 A4151002915270375025
4000 A4151003415270375030
5000 A4151004417270375040
Exemple de codificationSérieChute de tensionClasseCalibreDésignation
ST200 10 0800ST20010800Shunt Standard 800A 200mV Classe 1
ST200 05 2000ST200052000Shunt Standard 2000A 200mV Classe 0,5

Série STANDARD SHUNTS DE MESURE 300mV Classe 0,5 et 1

CalibresABCDEFGK
1 à < 15 A2323033M62001745
15 à < 30 A2323033M620010,545
CalibresABCDEFGK
30 à 75 A27016206,525012308
80 à 100 A27020248,525012308
125 à 150 A270303410,525012308
200 A270304410,525012308
CalibresABCDEFGK
250 A28550331525034,58
300 A28550331525034,58
400 à 500 A33550331530034,58
600 à 750 A38550401535034,515
CalibresABCDEFGK
800 à 1000 A505100231536037508
1250 à 1500 A5051002715360375012
2000 A5051003015360375015
2500 A5051003515360375020
3000 A5051004015360375025
Exemple de codificationSérieChute de tensionClasseCalibreDésignation
ST300 10 0900ST30010900Shunt Standard 900A 300mV Classe 1
ST300 05 2500ST300052500Shunt Standard 2500A 300mV Classe 0,5

Série STANDARD SHUNTS DE MESURE 100mV Classe 0,2

CalibresABCDEFGK
< 30 A1623031M51301745
CalibresABCDEFGK
30 à 75 A190251410,5160276
100 A190341410,5160276
125 à 150 A2203414151802210
200 A2203414151802210
250 à 300 A2205014151802210
400 à 500 A2487017182002412
CalibresABCDEFGK
600 à 750 A284100351222017,52530
CalibresABCDEFGN
1000 A380140351528035501
1250 A380140351528035501
1500 A380140351528035502
2000 A380140351528035502
2500 A395140551530045503
3000 A395140551530045504
Exemple de codificationSérieChute de tensionClasseCalibreDésignation
ST100 02 0050ST100020050Shunt Standard 50A 100mV Classe 0,2
ST100 02 1250ST100021250Shunt Standard 1250A 100mV Classe 0,2

Série STANDARD SHUNTS DE MESURE 200mV Classe 0,2

CalibresABCDEFGK
1 à < 15 A2323033M62001745
15 à <30 A2323033M620010,545
CalibresABCDEFGK
30 à 75 A280251410,5250276
100 A280341410,5250276
125 à 150 A2903414152502210
200 A2903414152502210
250 à 300 A2905014152502210
400 à 500 A3487017183002212
CalibresABCDEFGK
600 à 750 A404100351234017,52530
CalibresABCDEFGN
1000 A500140351540035501
1250 A500140351540035501
1500 A500140351540035502
2000 A500140351540035502
2500 A515140551542050503
3000 A515140551542050504
Exemple de codificationSérieChute de tensionClasseCalibreDésignation
ST200 02 0800ST20002800Shunt Standard 800A 200mV Classe 0,2
ST200 02 1750ST200021750Shunt Standard 1750A 200mV Classe 0,2

Série STANDARD SHUNTS DE MESURE 300mV Classe 0,2

CalibresABCDEFGK
1 à < 15 A2323033M62001745
15 à <30 A2323033M620010,545
CalibresABCDEFGK
30 à 75 A280253510,5250276
100 A280343510,5250276
125 à 150 A28530351525034,58
200 A28540351525034,58
250 A28550351525034,58
300 A28560351525034,58
400 à 500 A3487035183002412
CalibresABCDEFGK
600 à 750 A414100501235017,52530
CalibresABCDEFGN
1000 A600140501550035501
Exemple de codificationSérieChute de tensionClasseCalibreDésignation
ST300 02 0030ST300020030Shunt Standard 30A 300mV Classe 0,2
ST300 02 750ST30002750Shunt Standard 750A 300mV Classe 0,2

Nos autres gammes de Shunt de Mesure

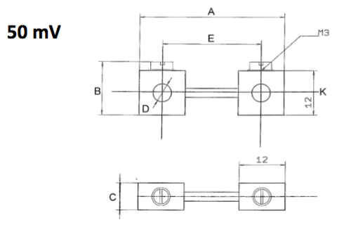
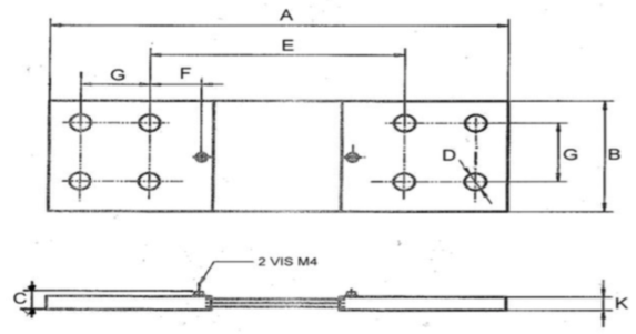
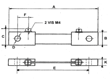
Série ÉCONOMIQUE À PLOTS SHUNTS DE MESURE 50-60-100mV Classe 1,5

CalibresABCDEFGK
10 à < 60 A341584,52212
Exemple de codificationSérieChute de tensionClasseCalibreDésignation
PL050 15 0030PL501,50030Shunt à Plots 30A 50mV Classe 1,5
CalibresABCDEFGK
15 à < 60 A341584,52212
Exemple de codificationSérieChute de tensionClasseCalibreDésignation
PL060 15 0030PL601,50030Shunt à Plots 30A 60mV Classe 1,5
CalibresABCDEFGK
10 à < 60 A441584,53212
Exemple de codificationSérieChute de tensionClasseCalibreDésignation
PL100 15 0060PL1001,50060Shunt à Plots 60A 100mV Classe 1,5

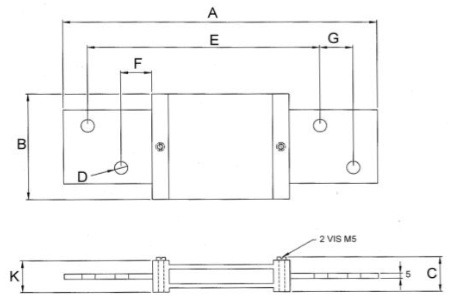
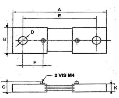
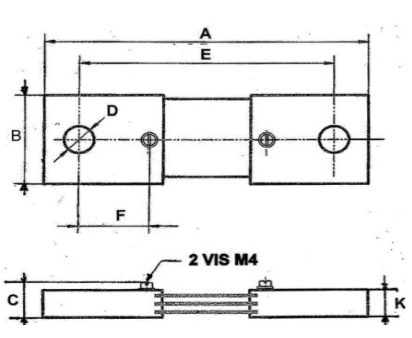
Série ÉCONOMIQUE À LAME SHUNTS DE MESURE 50-60-100mV Classe 1

CalibresABCDEFGK
20 à 30 A1141210,56,5861
40 A1141610,56,5861
50 A1142010,56,5861
60 A1142410,56,5861
75 A1143010,57,5861
80 à 100 A1142010,57,5862
125 A1142410,510,5862
150 A1143010,510,5862
200 A1144010,510,5862
250 A1145010,510,5862
CalibresABCDEFGK
20 à 30 A1141210,56,5861
40 A1141610,56,5861
50 A1142010,56,5861
60 A1142410,56,5861
75 A1143010,57,5861
80 à 100 A1142010,57,5862
125 A1142410,510,5862
150 A1143010,510,5862
200 A1144010,510,5862
250 A1145010,510,5862
CalibresABCDEFGK
20 à 30 A1501210,56,51221
40 A1501610,56,51221
50 A1502010,56,51221
60 A1502410,56,51221
75 A1503010,57,51221
80 à 100 A1502010,57,51222
125 A1502410,510,51222
150 A1503010,510,51222
200 A1504010,510,51222
250 A1505010,510,51222
Exemple de codificationSérieChute de tensionClasseCalibreDésignation
EV050 10 0030EV50100030Shunt Économique 30A 50mV Classe 1
EV060 10 0030EV60100030Shunt Économique 30A 60mV Classe 1
EV100 10 0030EV100100030Shunt Économique 30A 100mV Classe 1

Série CIRCUIT IMPRIMÉ SHUNTS DE MESURE 50-60-100mV Classe 1

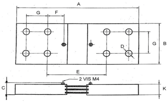
Ces shunts sont destinés à être montés sur les cartes comme un composant classique. L’ensemble est étamé pour la soudure par passage à la vague.

Les valeurs les plus courantes vont de 1 à 17 A.

Sur demande d’autres valeurs peuvent être étudiées.

La cote C peut atteindre 35 mm.

Pour ce type de shunts la chute de tension la plus courante est de 50 mV.

Exemple de codificationSérieChute de tensionClasseCalibreDésignation
CI050 40 0003CI050400003Shunt CI 3A 50mV Classe 4

Ces shunts sont destinés à être montés sur les cartes comme un composant classique. Ces shunts ne sont pas étamés et doivent être soudés au fer en raison de leur masse.

Pour ce type de shunts la chute de tension la plus courante est de 100 mV.

Les valeurs les plus courantes vont de 10 à 60 A.

La cote C peut atteindre 60 mm.

Exemple de codificationSérieChute de tensionClasseCalibreDésignation
CI100 40 0050CI100400050Shunt CI 50A 100mV Classe 4

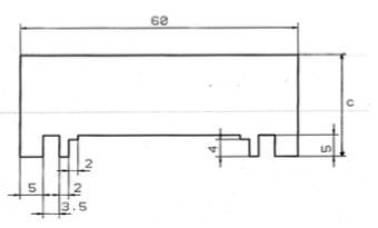
Ces shunts sont taillés dans une lame de manganine épaisseur 0.5 ou 1 mm suivant le calibre et peuvent être étalonnés pour une précision de 4, 1 ou 0.5%.

L’implantation sur le circuit est toujours identique quel que soit le calibre, seule la cote C varie. Elle peut atteindre 26 mm.

L’intensité maximum utilisable est de 60 A, en raison de la section des points de connexion.

Exemple de codificationSérieChute de tensionClasseCalibreDésignation
CI100 05 0030CI100050030Shunt CI 30A 100mV Classe 0,5
CI100 10 0030CI050100030Shunt CI 30A 50 mV Classe 1

Série DIVERS SHUNTS DE MESURE

Ces shunts sont montés dans un boitier encliquetable sur des rails DIN symétriques ou asymétriques.

Ils permettent une incorporation rapide dans un tableau.

Les valeurs les plus courantes vont de 1.5 à 60 A pour une tension de sortie de 50 ou 100 mV.

Exemple de codificationSérieChute de tensionClasseCalibreDésignation
DN100 10 0050DN100100050Shunt DN 50A 100mV Classe 1

Ces shunts plus particulièrement destinés au contrôle et au laboratoire peuvent être exécutés avec les calibres suivants:

  • De 1 à 100A Tension de sortie 100 mV
  • De 1 à 50 A Tension de sortie 50 mV
  • De 1 à 60 A Tension de sortie 60mV

Les classes de précision les plus courantes sont 0.5 et 0.2%.

Exemple de codificationSérieChute de tensionClasseCalibreDésignation
LA100 05 0050LA100050050Shunt LA 50A 100mV Classe 0,5

Demande de devis pour des shunts de mesure





Série/Gamme* :
StandardÉconomique à plotsÉconomique à lameCircuit impriméDivers


Chute de tension* :
Classe 0,2Classe 0,5Classe 1Classe 2



Notice technique

Conditions d’installation

Les shunts doivent être installés horizontalement de façon telle que les lames résistantes soient placées verticalement, et que l’air puisse circuler entre celles-ci par convection naturelle.

Les boulons de serrage des barres doivent être bloqués afin de minimiser les résistances électriques de contact au niveau des plages de raccordement.

 

Conditions de fonctionnement

Dans les conditions normales de fonctionnement et de raccordement telles que celles utilisées pour l’étalonnage, l’élévation normale de la température est d’environ 120°C. Après une heure de fonctionnement à plein régime, il est nécessaire de vérifier que la température des lames n’excède pas 150°C afin de conserver des caractéristiques électriques meilleures que 0,5%.

Cependant les shunts peuvent travailler à une température de 300°C sans dégradation des caractéristiques du shunt.
Le changement de teinte des lames intervient à partir de 100°C sans dégradation des caractéristiques électriques.

Il est nécessaire de vérifier après quelques heures de fonctionnement et plusieurs cycles de mise en route, le bon serrage des boulons de fixation des barres sur les plages de raccordement.

 

Caractéristiques électriques

Le shunt étant un composant passif, ses caractéristiques ne varient pas dans le temps dans des conditions normales d’utilisation. Le vieillissement de la partie résistante ne fait pas sortir le shunt de sa classe.

Cependant, en cas de doute, par exemple une surcharge importante ou un maintien dans une atmosphère agressive, il est nécessaire de le retourner au constructeur pour le vérifier sur un banc d’étalonnage.

Vous cherchez un expert en Shunt de mesure ?